
産品描述

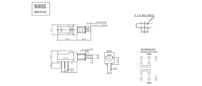
技術指標:
使用溫度范圍 | -20-70℃ | 耐壓 | AC250V 50Hz 1min |
額定負荷 | DC 50V 0.1A-1.0A | 操作力 | 250g±100g |
接觸電阻 | ≤0.01Ω | 動作壽命 | 5000次 |
絕緣電阻 | ≥100MΩ |
|
|
上一篇:PS-909L-42
下一篇:PS-62E01